南宫NG28
咨询热线:::0379-80877123 400-966-9300
首页
产品中心
自创豆制品
经典面制品
组合礼包
源味醒觉系列
其他
视频中心
媒体报道
走进南宫NG28
南宫NG28简介
南宫NG28新闻
生长历程
资质认证
品牌故事
商城/相助
线上商城
相助
加入南宫NG28
加入南宫NG28
自媒体
实时车间
车间实况
您目今的位置:::
首页
>
公司介绍
>
资质认证
南宫NG28简介
南宫NG28新闻
生长历程
资质认证
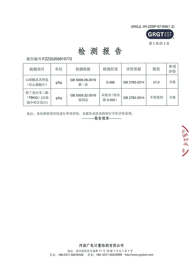
老式大辣片外检
宣布时间:::2021-03-02
作者:::
泉源:::
南宫NG28
点击:::5590
上一篇:::食物清静治理系统认证证书
下一篇:::营业执照
分享到:::
0
用手机看
拍下二维码,,,信息随身看
试试用微信扫一扫,,,
在你手机上继续寓目此页面。
友情链接:::
南宫NG28官方微博阿里巴巴南宫NG28官方旗舰店南宫NG28食物天猫旗舰店淘宝南宫NG28食物工厂自营店南宫NG28(Genji food)京东自营旗舰店南宫NG28食物有赞自营店
0379-80877123
400-966-9300
电话
短信
地图
刷新
【网站地图】
老式大辣片外检_南宫NG28